The digital key can realize keyless entry and start, remote key authorization, personalized vehicle settings and other functions. In addition, the digital key can also lock, unlock, start, open and close windows and air conditioning, share vehicles, etc. through smart devices.
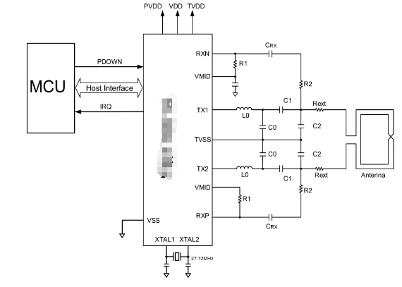
NFC+BLE Reader is a smart card reader device that integrates near field communication (NFC) and Bluetooth low energy (BLE) technologies. It combines the convenience of NFC technology with the low power consumption of BLE technology, providing users with a more intelligent, secure and efficient interactive experience. The card reader is mainly composed of an NFC chip, a Bluetooth module, a main MCU, and related connection interfaces and antennas. It supports a variety of communication protocols and standards, and can easily achieve wireless connection and data transmission with smart devices.
• High integration
The perfect integration of NFC and BLE technologies provides a one-stop smart card reading solution.
• Stable and sensitive
The use of high-quality antenna design and optimized circuit layout ensures stable performance and sensitive response in complex environments.
• Low power consumption
BLE technology enables the card reader to significantly reduce power consumption and extend battery life in standby mode.
• Strong compatibility
Supports a variety of NFC cards and smart devices, as well as ISO/IEC 14443 Type read/write modes, making it convenient for users to use in different scenarios.
• Safe and reliable
NFC communication authentication is performed through the eSE in the Bluetooth module to ensure the security of data transmission.




+86 186 8871 1070
You can also reach us on +86 186 8871 1070, or sales@vlg-tech.com. Our sales department will reply to you soon.